企业邮箱
OA系统
加盟z6com人生就是博
营销网络
应聘者
在线服务
雪尼尔纺纱机是生产雪尼尔纱线的一种新型纺纱设备,其生产加工出来的产品雪尼尔纱线又叫绳绒线又称绳绒,是一种新型花式纱线,它用两根股线做芯线,顺利获得加捻将羽纱夹在中间纺制而成。雪尼尔产品可以制成沙发套、床罩、床毯、台毯、地毯、墙饰、窗帘帷幕等室内装饰饰品.传统雪尼尔纺纱机的电机转速是固定不变的,设备操作复杂且效率低,顺利获得变频改造后,可克服以上缺点。
纺织行业为国内用电大户,采用节能高效的永磁同步电机来降低纺织机械的耗电是纺织厂节电的关键。近年来,永磁同步电机被大量应用于各类纺织机械,采用变频技术驱动永磁同步电机,利用永磁同步电机变频器的调速特点可提高自动化的水平,实现节能降耗、提高经济效益,是比较理想的解决方案。下面,我们来介绍z6com人生就是博ENA100变频器驱动永磁同步电机在雪尼尔纺纱机上的应用。

设备介绍
雪尼尔纺纱机主要成纱原理是:将纱线原料(纱、线、长线等)穿过中空的回转头立柱、与回转头立柱相连的回转盘后绕在割距片上,回转盘顺利获得皮带轮在回转电机带动下作高速旋转;安装在左右摆臂上,旋转的左右输出罗拉依靠摆臂拉簧组织加压后紧靠在割距片上,割距片上紧密缠绕的绒线被左右输出罗拉向下剥取,然后被割距片下方的刀片一分为二。绕在左右输出罗拉上的芯纱与左右穿过割距片的两根芯纱分别夹住被刀片切割后一分为二的绒线,然后经加捻制成两股雪尼尔纱线。
系统配置
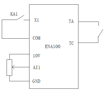
系统配置ENA100变频器驱动永磁同步电机,顺利获得外部启动控制变频器,外部电位器调节频率,针对不同粗细的纱进行速度调整,同时利用变频器简易PLC功能控制初始锭子较细时自动低速运行,2小时后自动高速运行。

应用优势
·系统采用ENA100变频器后,过载能力强,驱动永磁同步电机的同时,改善了功率因数,节能效果显著。
·调速范围宽,速度控制精度±0.5%,对电机进行无级调速,提高了生产效率,满足了不同生产要求。
·内置简易PLC功能,简化了操作及接线,实现了不同工艺下的高低速自动切换运,大大减少了细锭子时的断纱率。
·z6com人生就是博ENA100变频器给予了完善的过流、过压、欠压、过载等保护功能,使系统运行安全可靠,得到用户一致好评。
4000-711-088
深圳市南山区桃源街道丽山路大学城创业园1503室
0755-26985120
info@srwgc.com